I guess, since August’s not out yet, I can still sneak in a write-up on Pennsic. ‘cause why not? I’m still Editor in Chief around these parts. Also, there hasn’t been a good top-to-bottom post mortem yet.
As has been mentioned before, this was finally the war of the East/Mid (plus allies) vs. Atlantia/Aethelmarc (plus allies). We got our wish. Hereafter, the sides will be referred to by the terms they chose for themselves: Axis vs. Allies. Yeah. Really.
Sunday was supposed to be the rapier champs fight. Long and short of it: “Wistric, you’re fighting Sir Ix.” “Whozat?” asks I. “He does an Aztec persona…” and then I knew him. I’d heard stories about this guy when I’d been in the SCA less than a year: “There’s a knight who dresses up in jaguar-print pajamas. Everybody wants to beat the crap out of him for it, so they chase him all over the field, but he’s faster, more flexible, and in better shape than them.” So, fast and flexible, and skinnier and longer-limbed than me. I don’t get to practice much against fighters taller and/or faster than me, so this got me a bit nervous, which meant I was grinning. Caitlin asked why. “Because I’m actually a little scared.” She asked who I was fighting. “Sir ixx” says I. “Oh, Sir Eesh? You’ll win.” Oh. Darn. Nonetheless I quizzed her for a bit more information about him.
This same principle came up in a different context (Roz asked “Why do you have everybody else doing hell drills?”) and it’s going on the list of Wistric maxims: If at all possible, win before ‘Lay On’ is called.
But it was pissing down rain so the champs fight was postponed to Wednesday.
Monday was the day of “town” “battles”.
First was the Rapier Town “Battle”.
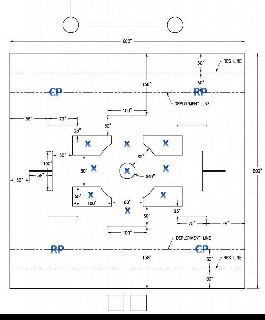
Lay out: 4 large buildings laid out on two cross streets, one small circular building (“well”) in the center, all surrounded by a town wall. Two entry points each, top and bottom of town. The side entries were not open. Bags of sand (X) in each of the buildings, the well, and the cross streets, for a total of nine bags in three rows across the field. Win condition was to return 5+ bags to your “collection” point. Collection Point (CP) was at one end of our deployment line, Rez Point (RP) at the other. Allies started from the Fort side. Best of 5 runs.
So the obvious: The three closest to each side were gimmes. That meant the contest was really just to see if you could get two out of the three in the center.
Run 1: Atlantia set up on the right edge, by the Collection Point, with its run team in front. Now, draw a line from that collection point to the entrance. You will notice it is at an angle. Pythagoras tells us that it was not the shortest distance and indeed it was not. Our runners got beat to the bags. The battle lasted about 30 seconds. I did not cross swords with anybody, being at the back of the ranks pulling sergeant duty. And this was pretty much the pattern for the day. The battles only lasted as long as it took the second fastest person on one team or the other to run the second bag back to the Collection Point. So now you see why battle was in quotes.
Before the second run, we moved Atlantia’s run team to being directly across from the entrance. Then the marshals said “Hey, we’re going to open up the side entrances.” So we shifted everybody back to the far right. Then, with less than two minutes to go, the marshals said “Oh, changed our minds.”* Wistric boiled slightly, and we moved all of Atlantia back to opposite the entrance. That run we won the foot race, and the battle.
Since the Axis lost that round, they had to make sure the numbers were even so it would be “fair” and called for us to count*. Celric decided to take the opportunity to fuck with them. “COLUMN OF 10!” he yelled. And we spent the next two minutes chivvying the army in to a 10X11 block. Column of 10, with 11 ranks. 110 (plus a few command staff) Atlantians were on the field. Reports from our spies that evening were that it intimidated the Axis because “We couldn’t get our armies to do that that quickly.” To which we said, “That was quick?”
The third time we got our bags, but Aethelmarc didn’t, getting beat out of the Well by an overwhelming concentration of force there. Though the marshals first called it for us.*
Since opposition on the right had slacked off, we sent reinforcements to the center for the fourth, but they weren’t sufficient, and so we lost, for a 3-1 total.
The marshals, realizing that for standing around for over an hour, we’d had less than five minutes of actual fight time, then said, “We’re going to have a thirty minute rez battle!” “What are the win conditions?” “Kill them all.” “Um… WTF? It’s a rez battle.” “Oh… Huh… Thirty minute rez, then we’ll go to last man standing!”
So Wistric said, “Hey, look at the time, armored town battle starts soon, can you guess what I won’t be doing?” Though I did eventually decide to fight it, but not to bother resurrecting, and to just go change gear when I died. Also, since I’d been sucking exhaust fumes all morning, I moved to the front ranks and found myself standing next to Our Fearless Leader Celric, who’d similarly been sucking exhaust fumes. At “Lay On” we both hauled ass well ahead of the rest of the army. Turning the first corner I called out “RACE YOU TO THE ENEMY!” He later said, “I was thinking ‘Why couldn’t they run like this the rest of the morning?’” I pointed out he’d thought it better to have me commanding. Anyway, we hit the house nearest to the enemy on the right-hand side before they got there, engaged their first wave in the doorway and dispatched it, got reinforced through the other doorway before they sealed it, dispatched a few intruders into the house over there and left a rear guard, returned to the first doorway as our reinforcements were being pressed in, sparred with the intruders until a press from our allies outside the house took off some of the pressure. But we were attriting inside the house quickly, and eventually I ended up as one of the last on our side left in the house, with numbers that even I might consider a touch lopsided, and died. So it was off to swap armor.
*When enough coincidences line up in favor of one side, it begins to be hard to believe in a disinterested marshallate.
Armored “Town” Battle
Having a desire to make the Queen’s Spears a running skirmish unit, this was actually a good opportunity for it. We mustered up before the battle, and Her Majesty Brianna handed out a set of pennons made up for us by Master Talorgen.
About a dozen of us were there mustered. And those pennons were excellent, because with all the noise of battle, when we got broken up during an engagement you couldn’t hear a rally call, but everybody could see a pennon swinging above the heads (heck, it even helped in getting the unit into position before the battles without having to yell). I highly recommend them. You should take up armored fighting so you can get one.
But, as if there weren’t enough millinery and haberdashery of the asstacular variety to go around in the Rapier battle, the Armored Town Battle took the same lay out with different conditions, to wit:
No going inside the houses. No shit. Town battle, but no going inside the houses. So… “Town” battle. Really just a big broken field battle.
Then there were the win conditions: There would be three runs.
Run 1: Axis defends the town. Allies attack. Axis has no rez. Allies have unlimited rez. Axis win if they hold the town for 45 minutes. That’s the only way they win. 45 mother fucking minutes with no rezzes against unlimited rez. No going in the houses to make use of doorways. Really.
They advanced out to meet us, we slaughtered them, and that was five minutes done. Their goal was to die as quickly as possible, they probably succeeded.
The Queen’s Spears were held back from the initial engagement, then tackled a hole (off to our left, I think) and that’s where I went out (I’m a horrible armored commander, because I die).
Run 2: Switch. Our leaders thought “Yeah… this is stupid. But Run 3 is going to be last-man standing, so let’s make them really tired out.” At ‘Lay On’ we fell back, uphill, till we were behind the hay bale line that marked the edge of the town. They had to march all the way down their hill, across the town, and up our hill to get hit, then turn around and march all the way back to their rez point, and come all the way back. We held for maybe ten minutes, but mostly we just got them good and tired.
The Tuchux, boycotting the whole idea of not charging, sulked in our backfield and so were the last standing. They ended up surrounded, and at some point a marshal called hold. And the fighting kept going. So hold was called much louder. And the fighting kept happening in this one area. Hold called again, still fighting. Rumor has it the people involved in the fighting were no longer holding their weapons. His Highness Vlad waded in there, with Giacomo at his back. Vlad Vladded down (yes, “to Vlad” is a verb, meaning “To be a seven foot tall man telling you all to chill right the fuck out like a bunch of Fonzies so that you do, in fact, chill the fuck out like a bunch of Fonzies.” It helps that he’s a serene mother fucker. Probably has something to do with being a giant), and Giacomo went all Federal SWAT Team Sergeant Giacomo on the Tuchux in question and dragged him out of the fray. Excitement, I tell you what. Also, it turns out that marshals have forgotten what they’re holding sticks for.
Run 3: Last man standing. Atlantia advanced in a column down the right side. I kept the Spears back to keep an eye on our left rear. As Atlantia cleared the far right of the T, our allies were getting pushed back almost to the gap in the wall, which would have exposed us to an attack in the rear. The Spears jumped in and reinforced, stabilized our allies, and the Axis (here the East) were then hammered in the rear from Atlantia’s front. Seeing the pressure was off on this sector, I called a rally, and took off at a run to screen Atlantia’s right (which was now exposed to a counter-attack from the remainder of the forces that Atlantia had paved over). A medical hold was called when we were halfway there. I took the opportunity to point, with pennoned polearm, at our targets. Probably a violation of the spirit of the “no talking strategy during a hold” rule, but… At Lay On we beat feet over there (figure about the 158’ mark on the Axis side of the field). That’s where I went out, but the Allies fought well and, though they lost, the Axis were in the low double digits when the last Atlantian went down. Not bad, considering the numbers.
And then it was armor down and go get showers time, finally.


Pingback: Dante di Pietro
Pingback: Wistric
Pingback: Ruairc
Pingback: Tibbie Croser